Gantry Eagle 400

Kompakt ve hassas

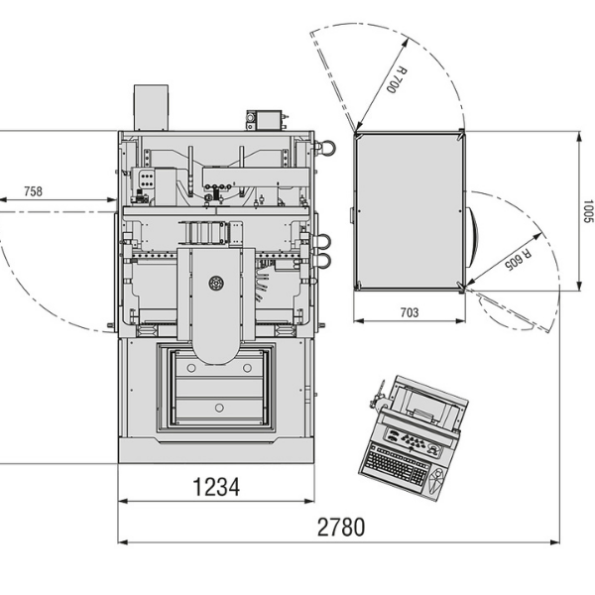
GANTRY EAGLE 400, bu endüstrinin sürekli artan gereksinimlerine yanıt olarak hassas kalıp yapımında standartları belirliyor. Bu benzersiz ürün vurgusu, portal tasarımı sayesinde maksimum hassasiyet, artan verimlilik ve HSC ve EDM mühendislik teknolojisindeki sinerji etkilerinin tutarlı kullanımı sunar.

  • Otomatik elektrik deşarjlı işlemeye giriş
  • Küçük ve yüksek hassasiyetli uygulamalar için yeni üst düzey EDM makinesi
  • Optimum erişilebilirlik ve kullanıcı rahatlığı için vizyoner makine konsepti

Travel in X / Y / Z: 420 / 300 / 400 mm

Worktank W / D / H: 650 / 500 / 340 mm

  • Operatör dostu konsept
  • En iyi erişilebilirlik
  • Son derece kompakt

Özellikler

Gantry Eagle

Close
Close
Kategoriler